
01
面向SiC和GaN功率半導體柵極應力測試

在SiC和GaN寬帶隙材料中,新故障機制的某些影響不會體現在傳統測試中,但會影響實際應用。
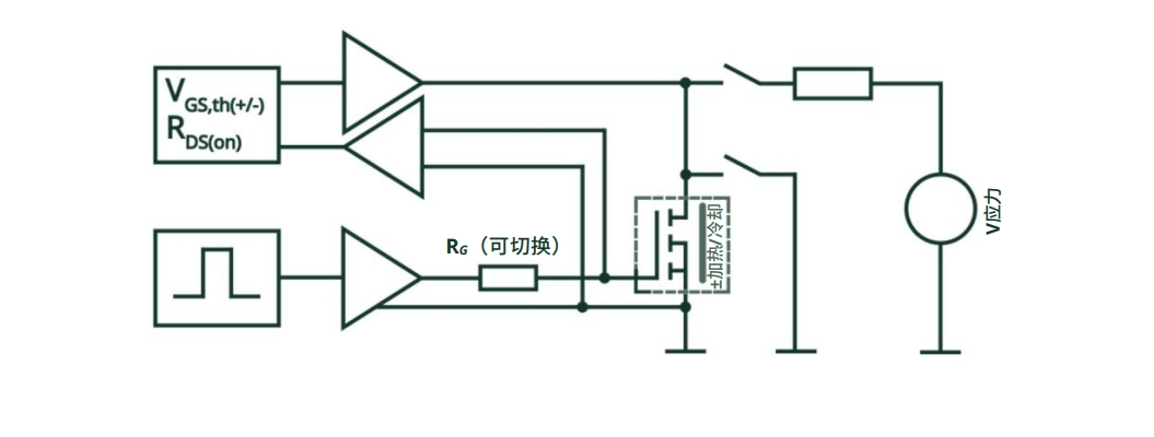
DGS測試(動態柵極應力)彌補了該認證差距,其要求明顯超出之前的測試程序,并且更具應用針對性。
DGS是一種使用快速電壓偏移來激勵吉端子故障機制的測試。該測試系統涵蓋了所有相關的測試規范。此外,其運行自動化,并提供詳細的報告供進一步數據分析使用。
系統特性
02

在DGS測試方面,可將行業擴展要求轉換為自動化動態測試。為滿足快速變化的需求,我們十分注重系統的靈活性。
除激勵外,DGS測試系統還提供多個原位測量,以確定規定時間段內的相關參數。這些原位測量有效地顯示了動態柵極應力對柵氧化物的長期影響,并支持您為客戶提供精確的說明。


微信掃一掃